Ready-to-Assemble (RTA) Cabinetry.
Shaker White
✓ Interior natural UV-coated finish
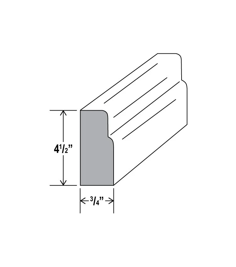
✓ Solid wood doors
✓ Soft-close doors and drawers
✓ Dovetail drawer joints
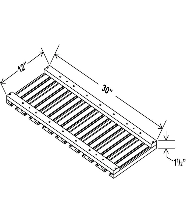
✓ Plywood box panels
✓ Concealed 6-way adjustable European-style hinges
How to read each item number: Click to expand

